迦美信芯“一种用于优化堆叠开关管耐压均匀性的射频开关电路”专利获授权
2025-01-13 18:15:20
0浏览
收藏
大家好,今天本人给大家带来文章《迦美信芯“一种用于优化堆叠开关管耐压均匀性的射频开关电路”专利获授权》,文中内容主要涉及到,如果你对科技周边方面的知识点感兴趣,那就请各位朋友继续看下去吧~希望能真正帮到你们,谢谢!
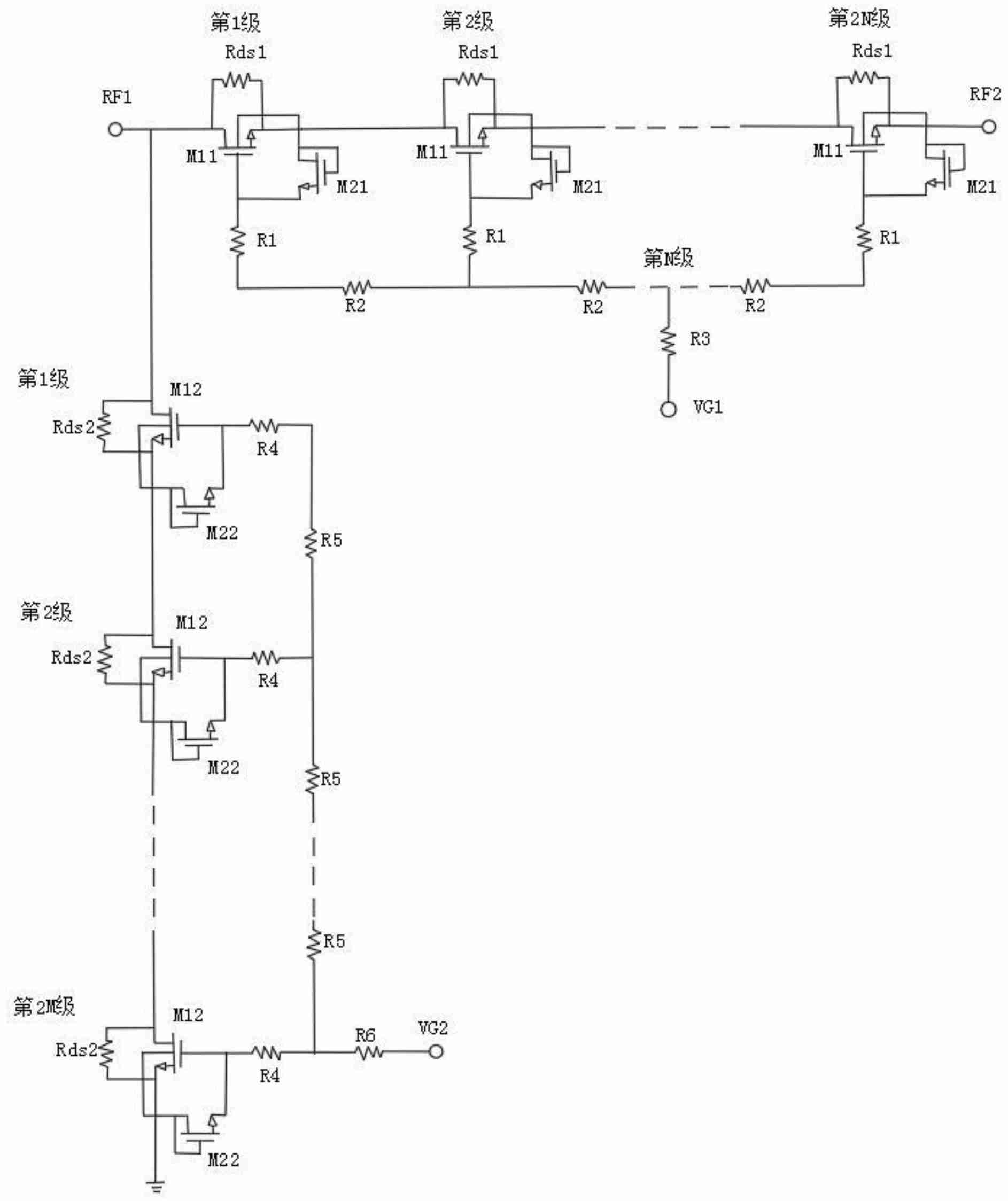
上海迦美信芯通讯技术有限公司近日获得一项关于射频开关电路的专利授权(授权公告号:CN113472329B,授权公告日:2024年11月29日,申请日:2021年8月24日)。该专利名为“一种用于优化堆叠开关管耐压均匀性的射频开关电路”,旨在提升射频开关的性能。

这项发明涉及射频集成电路技术,其核心在于优化堆叠开关管的耐压均匀性。专利技术通过串联支路模块和并联支路模块的设计,有效降低了射频开关前级和后级开关晶体管承受的最大峰值电压。 这种设计显著提升了各级开关晶体管的耐压均匀性以及射频开关的最大输入功率,尤其对并联支路模块的耐压均匀性改进明显。 这将有助于提高射频开关的整体可靠性和性能。
终于介绍完啦!小伙伴们,这篇关于《迦美信芯“一种用于优化堆叠开关管耐压均匀性的射频开关电路”专利获授权》的介绍应该让你收获多多了吧!欢迎大家收藏或分享给更多需要学习的朋友吧~golang学习网公众号也会发布科技周边相关知识,快来关注吧!
ScienceAI 2024「AI+材料&化学」专题年度回顾
- 上一篇
- ScienceAI 2024「AI+材料&化学」专题年度回顾
- 下一篇
- 2024最新微软Win10专业版 22H2 ISO镜像下载
查看更多
最新文章
-
- 科技周边 · 人工智能 | 12分钟前 |
- Claude API 价格计算器及省钱攻略
- 384浏览 收藏
-
- 科技周边 · 人工智能 | 49分钟前 |
- Claude官网地址怎么找?Claude官方网站定位说明
- 256浏览 收藏
-
- 科技周边 · 人工智能 | 1小时前 |
- CodeGeeX怎么写Commit信息_CodeGeeX提交规范自动生成【Git】
- 338浏览 收藏
-
- 科技周边 · 人工智能 | 9小时前 |
- 本地大模型微调入门_LoRA低显存训练指南
- 117浏览 收藏
-
- 科技周边 · 人工智能 | 9小时前 | Hermes Agent HermesAgent
- Hermes Agent是开源的吗_Hermes Agent开源协议与代码说明【开源】
- 498浏览 收藏
-
- 科技周边 · 人工智能 | 9小时前 |
- 如何在Perplexity中切换GPT-4o模型_进入Settings页面手动选择AI模型
- 438浏览 收藏
-
- 科技周边 · 人工智能 | 9小时前 | openclaw
- OpenClawAI运行慢怎么优化_OpenClawAI提升大模型响应速度技巧【技巧】
- 425浏览 收藏
-
- 科技周边 · 人工智能 | 9小时前 |
- 如何提升代码运行效率并降低功耗 利用DeepSeek Coder优化算法时间复杂度
- 254浏览 收藏
-
- 科技周边 · 人工智能 | 10小时前 | CodeGeeX CodeGeeX生成Go代码保姆级教程
- CodeGeeX怎么写Go日志_CodeGeeX生成Zap日志代码【Go日志】
- 155浏览 收藏
-
- 科技周边 · 人工智能 | 10小时前 | AI工具 民间故事ai工具
- DALL-E怎么设计AI民间故事插图_DALL-E设计AI民间故事插图详细流程说明
- 122浏览 收藏
-
- 科技周边 · 人工智能 | 10小时前 |
- 文心一言怎么分析用户评论_文心一言情感分析与洞察方法
- 223浏览 收藏
-
- 科技周边 · 人工智能 | 10小时前 |
- Minimax如何利用提示词控制颜色 Minimax配色方案写法
- 310浏览 收藏
查看更多
课程推荐
-
- 前端进阶之JavaScript设计模式
- 设计模式是开发人员在软件开发过程中面临一般问题时的解决方案,代表了最佳的实践。本课程的主打内容包括JS常见设计模式以及具体应用场景,打造一站式知识长龙服务,适合有JS基础的同学学习。
- 543次学习
-
- GO语言核心编程课程
- 本课程采用真实案例,全面具体可落地,从理论到实践,一步一步将GO核心编程技术、编程思想、底层实现融会贯通,使学习者贴近时代脉搏,做IT互联网时代的弄潮儿。
- 516次学习
-
- 简单聊聊mysql8与网络通信
- 如有问题加微信:Le-studyg;在课程中,我们将首先介绍MySQL8的新特性,包括性能优化、安全增强、新数据类型等,帮助学生快速熟悉MySQL8的最新功能。接着,我们将深入解析MySQL的网络通信机制,包括协议、连接管理、数据传输等,让
- 500次学习
-
- JavaScript正则表达式基础与实战
- 在任何一门编程语言中,正则表达式,都是一项重要的知识,它提供了高效的字符串匹配与捕获机制,可以极大的简化程序设计。
- 487次学习
-
- 从零制作响应式网站—Grid布局
- 本系列教程将展示从零制作一个假想的网络科技公司官网,分为导航,轮播,关于我们,成功案例,服务流程,团队介绍,数据部分,公司动态,底部信息等内容区块。网站整体采用CSSGrid布局,支持响应式,有流畅过渡和展现动画。
- 485次学习
查看更多
AI推荐
-
- ChatExcel酷表
- ChatExcel酷表是由北京大学团队打造的Excel聊天机器人,用自然语言操控表格,简化数据处理,告别繁琐操作,提升工作效率!适用于学生、上班族及政府人员。
- 4472次使用
-
- Any绘本
- 探索Any绘本(anypicturebook.com/zh),一款开源免费的AI绘本创作工具,基于Google Gemini与Flux AI模型,让您轻松创作个性化绘本。适用于家庭、教育、创作等多种场景,零门槛,高自由度,技术透明,本地可控。
- 4818次使用
-
- 可赞AI
- 可赞AI,AI驱动的办公可视化智能工具,助您轻松实现文本与可视化元素高效转化。无论是智能文档生成、多格式文本解析,还是一键生成专业图表、脑图、知识卡片,可赞AI都能让信息处理更清晰高效。覆盖数据汇报、会议纪要、内容营销等全场景,大幅提升办公效率,降低专业门槛,是您提升工作效率的得力助手。
- 4702次使用
-
- 星月写作
- 星月写作是国内首款聚焦中文网络小说创作的AI辅助工具,解决网文作者从构思到变现的全流程痛点。AI扫榜、专属模板、全链路适配,助力新人快速上手,资深作者效率倍增。
- 6492次使用
-
- MagicLight
- MagicLight.ai是全球首款叙事驱动型AI动画视频创作平台,专注于解决从故事想法到完整动画的全流程痛点。它通过自研AI模型,保障角色、风格、场景高度一致性,让零动画经验者也能高效产出专业级叙事内容。广泛适用于独立创作者、动画工作室、教育机构及企业营销,助您轻松实现创意落地与商业化。
- 5067次使用
查看更多
相关文章
-
- GPT-4王者加冕!读图做题性能炸天,凭自己就能考上斯坦福
- 2023-04-25 501浏览
-
- 单块V100训练模型提速72倍!尤洋团队新成果获AAAI 2023杰出论文奖
- 2023-04-24 501浏览
-
- ChatGPT 真的会接管世界吗?
- 2023-04-13 501浏览
-
- VR的终极形态是「假眼」?Neuralink前联合创始人掏出新产品:科学之眼!
- 2023-04-30 501浏览
-
- 实现实时制造可视性优势有哪些?
- 2023-04-15 501浏览

