士兰微“用于LLC谐振变换器的恒流控制电路及恒流控制方法”专利获授权
2025-01-19 12:15:54
0浏览
收藏
本篇文章给大家分享《士兰微“用于LLC谐振变换器的恒流控制电路及恒流控制方法”专利获授权》,覆盖了科技周边的常见基础知识,其实一个语言的全部知识点一篇文章是不可能说完的,但希望通过这些问题,让读者对自己的掌握程度有一定的认识(B 数),从而弥补自己的不足,更好的掌握它。
士兰微电子获得LLC谐振变换器恒流控制专利
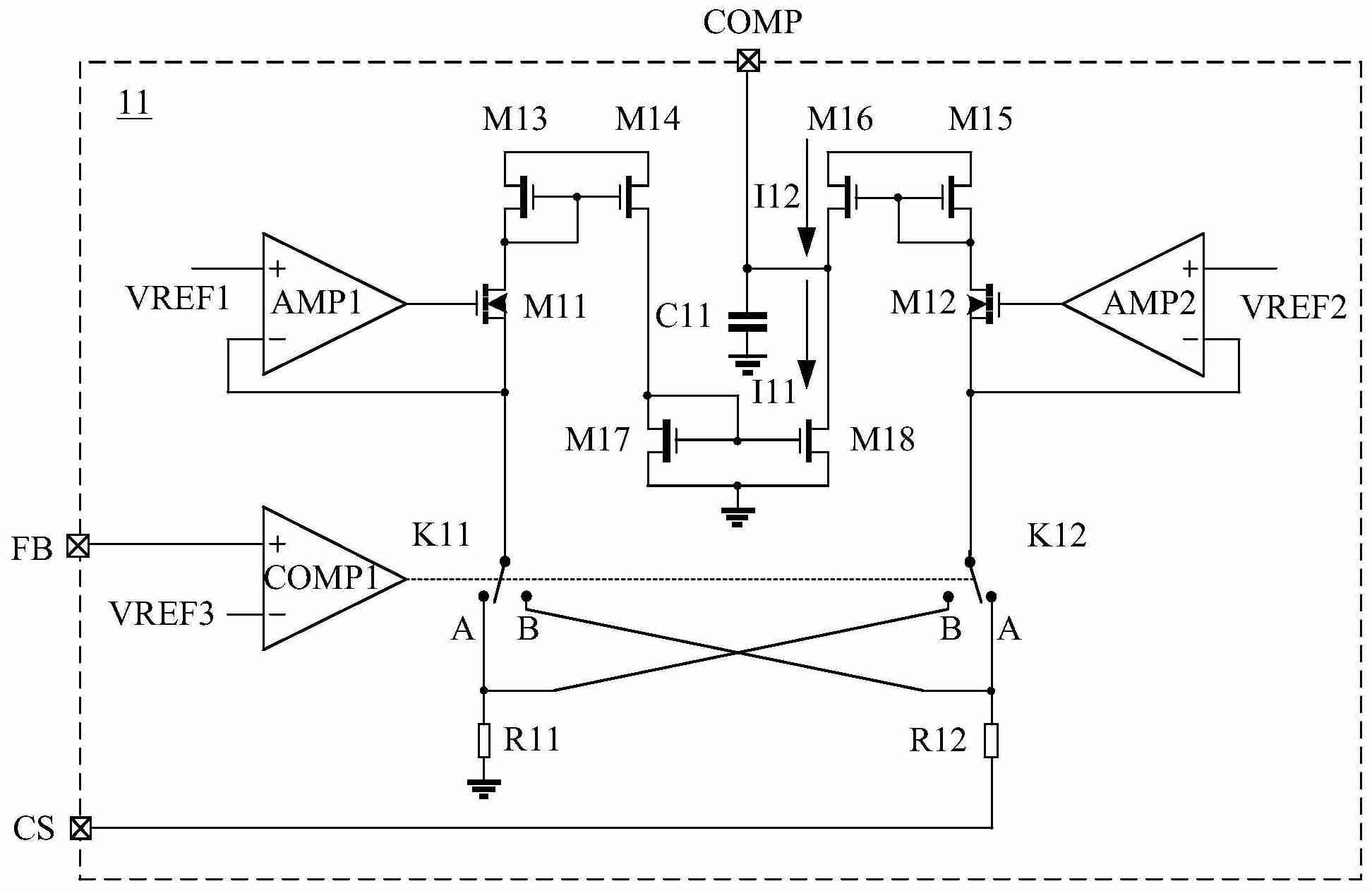
杭州士兰微电子股份有限公司近日获得一项名为“用于LLC谐振变换器的恒流控制电路及恒流控制方法”的国家发明专利授权(授权公告号:CN109639151B,授权公告日:2024年11月15日,申请日:2019年1月21日)。

该专利公开了一种新型的LLC谐振变换器恒流控制电路及方法。该电路采用自激振荡方式工作的两个双极型晶体管,并包含一个开关元件用于控制驱动电流,以及一个驱动模块。驱动模块中的输出电流计算模块,通过计算谐振电流信号和第一变压器励磁电流信号差值的绝对值平均值,生成补偿信号,进而控制开关元件的导通状态,实现精确的恒流控制。即使在复杂的电路中,例如将电荷泵PFC模块与LLC谐振变换器组合应用的场景下,该恒流控制电路仍能保持高精度。
文中关于士兰微的知识介绍,希望对你的学习有所帮助!若是受益匪浅,那就动动鼠标收藏这篇《士兰微“用于LLC谐振变换器的恒流控制电路及恒流控制方法”专利获授权》文章吧,也可关注golang学习网公众号了解相关技术文章。
粉毛小姐姐竟是AI?谷歌新玩具Veo2快把Vlog界整疯了
- 上一篇
- 粉毛小姐姐竟是AI?谷歌新玩具Veo2快把Vlog界整疯了
- 下一篇
- Science子刊,斯坦福AI方法表示蛋白互作节点,增强功能识别与PPI推理
查看更多
最新文章
-
- 科技周边 · 人工智能 | 31分钟前 |
- Claude解析:如何撰写逻辑严谨的金融投资建议书
- 259浏览 收藏
-
- 科技周边 · 人工智能 | 50分钟前 |
- Kimi如何分析PDF图片\_文档识图解析教程
- 219浏览 收藏
-
- 科技周边 · 人工智能 | 1小时前 | ChatGPT
- Bard优化博客结构技巧解析
- 186浏览 收藏
-
- 科技周边 · 人工智能 | 1小时前 |
- AI卡皮巴拉角色扮演技巧分享
- 246浏览 收藏
-
- 科技周边 · 人工智能 | 1小时前 | openclaw
- OpenClaw隐私聊天使用与高保密部署技巧
- 444浏览 收藏
-
- 科技周边 · 人工智能 | 2小时前 |
- 标题:用ChatGPT轻松生成爆款引流文案! 开头:还在为写文案发愁? 钩子:掌握ChatGPT引流文案技巧,让你的流量翻倍!
- 448浏览 收藏
-
- 科技周边 · 人工智能 | 2小时前 |
- Kimi+怎么用?Kimi+使用教程详解
- 394浏览 收藏
-
- 科技周边 · 人工智能 | 2小时前 |
- IdeogramAI如何制作品牌字体?
- 239浏览 收藏
-
- 科技周边 · 人工智能 | 3小时前 | Workbuddy
- WorkBuddy生成数学试卷方法_含公式出题指南
- 475浏览 收藏
-
- 科技周边 · 人工智能 | 3小时前 |
- 豆包AI反应慢怎么优化?实用技巧分享
- 151浏览 收藏
-
- 科技周边 · 人工智能 | 3小时前 | KWDB
- KWDB 3.1.0 性能实测:脚本验证读写能力
- 250浏览 收藏
-
- 科技周边 · 人工智能 | 3小时前 |
- Minimax是否支持离线运行?部署现状解析
- 476浏览 收藏
查看更多
课程推荐
-
- 前端进阶之JavaScript设计模式
- 设计模式是开发人员在软件开发过程中面临一般问题时的解决方案,代表了最佳的实践。本课程的主打内容包括JS常见设计模式以及具体应用场景,打造一站式知识长龙服务,适合有JS基础的同学学习。
- 543次学习
-
- GO语言核心编程课程
- 本课程采用真实案例,全面具体可落地,从理论到实践,一步一步将GO核心编程技术、编程思想、底层实现融会贯通,使学习者贴近时代脉搏,做IT互联网时代的弄潮儿。
- 516次学习
-
- 简单聊聊mysql8与网络通信
- 如有问题加微信:Le-studyg;在课程中,我们将首先介绍MySQL8的新特性,包括性能优化、安全增强、新数据类型等,帮助学生快速熟悉MySQL8的最新功能。接着,我们将深入解析MySQL的网络通信机制,包括协议、连接管理、数据传输等,让
- 500次学习
-
- JavaScript正则表达式基础与实战
- 在任何一门编程语言中,正则表达式,都是一项重要的知识,它提供了高效的字符串匹配与捕获机制,可以极大的简化程序设计。
- 487次学习
-
- 从零制作响应式网站—Grid布局
- 本系列教程将展示从零制作一个假想的网络科技公司官网,分为导航,轮播,关于我们,成功案例,服务流程,团队介绍,数据部分,公司动态,底部信息等内容区块。网站整体采用CSSGrid布局,支持响应式,有流畅过渡和展现动画。
- 485次学习
查看更多
AI推荐
-
- ChatExcel酷表
- ChatExcel酷表是由北京大学团队打造的Excel聊天机器人,用自然语言操控表格,简化数据处理,告别繁琐操作,提升工作效率!适用于学生、上班族及政府人员。
- 4251次使用
-
- Any绘本
- 探索Any绘本(anypicturebook.com/zh),一款开源免费的AI绘本创作工具,基于Google Gemini与Flux AI模型,让您轻松创作个性化绘本。适用于家庭、教育、创作等多种场景,零门槛,高自由度,技术透明,本地可控。
- 4611次使用
-
- 可赞AI
- 可赞AI,AI驱动的办公可视化智能工具,助您轻松实现文本与可视化元素高效转化。无论是智能文档生成、多格式文本解析,还是一键生成专业图表、脑图、知识卡片,可赞AI都能让信息处理更清晰高效。覆盖数据汇报、会议纪要、内容营销等全场景,大幅提升办公效率,降低专业门槛,是您提升工作效率的得力助手。
- 4496次使用
-
- 星月写作
- 星月写作是国内首款聚焦中文网络小说创作的AI辅助工具,解决网文作者从构思到变现的全流程痛点。AI扫榜、专属模板、全链路适配,助力新人快速上手,资深作者效率倍增。
- 6181次使用
-
- MagicLight
- MagicLight.ai是全球首款叙事驱动型AI动画视频创作平台,专注于解决从故事想法到完整动画的全流程痛点。它通过自研AI模型,保障角色、风格、场景高度一致性,让零动画经验者也能高效产出专业级叙事内容。广泛适用于独立创作者、动画工作室、教育机构及企业营销,助您轻松实现创意落地与商业化。
- 4870次使用
查看更多
相关文章
-
- GPT-4王者加冕!读图做题性能炸天,凭自己就能考上斯坦福
- 2023-04-25 501浏览
-
- 单块V100训练模型提速72倍!尤洋团队新成果获AAAI 2023杰出论文奖
- 2023-04-24 501浏览
-
- ChatGPT 真的会接管世界吗?
- 2023-04-13 501浏览
-
- VR的终极形态是「假眼」?Neuralink前联合创始人掏出新产品:科学之眼!
- 2023-04-30 501浏览
-
- 实现实时制造可视性优势有哪些?
- 2023-04-15 501浏览

