一微半导体“一种n倍脉宽扩展电路及脉宽扩展的锁相环系统”专利获授权
2025-01-22 08:30:34
0浏览
收藏
积累知识,胜过积蓄金银!毕竟在科技周边开发的过程中,会遇到各种各样的问题,往往都是一些细节知识点还没有掌握好而导致的,因此基础知识点的积累是很重要的。下面本文《一微半导体“一种n倍脉宽扩展电路及脉宽扩展的锁相环系统”专利获授权》,就带大家讲解一下知识点,若是你对本文感兴趣,或者是想搞懂其中某个知识点,就请你继续往下看吧~
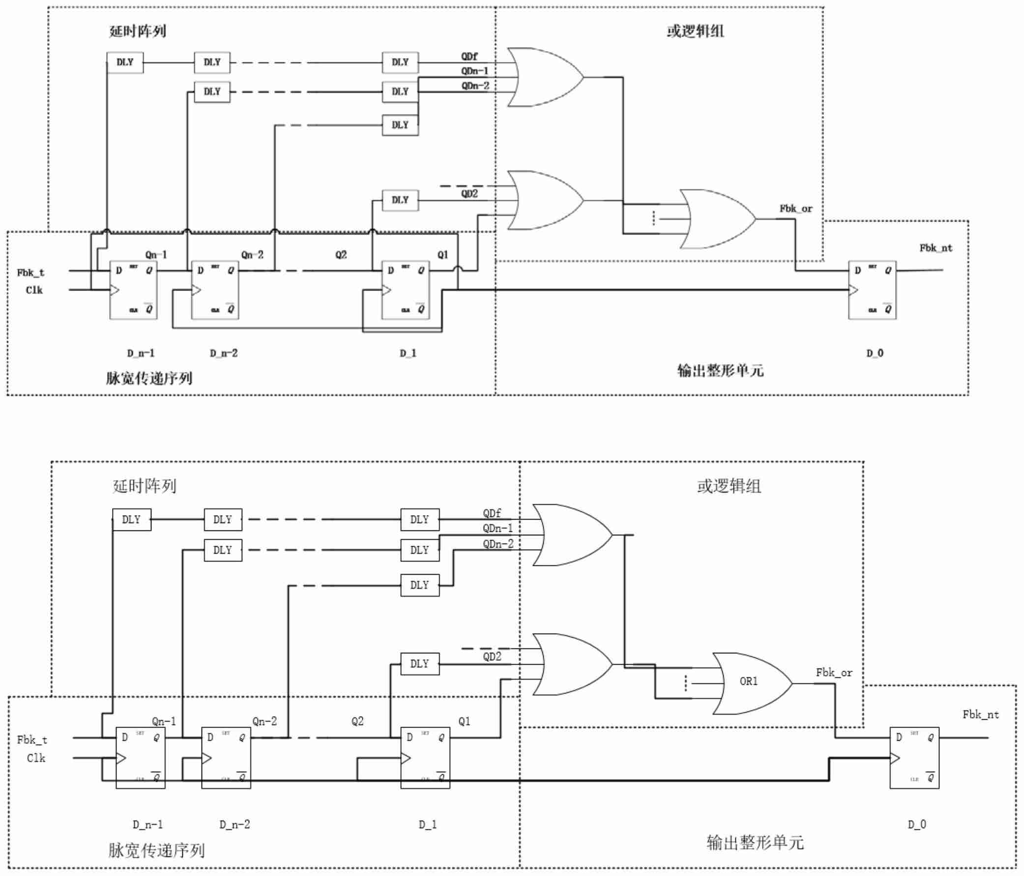
珠海一微半导体股份有限公司近日获得一项实用新型专利,专利名称为“一种n倍脉宽扩展电路及脉宽扩展的锁相环系统”(授权公告号:CN112202424B,授权公告日:2024年11月29日,申请日:2020年11月6日)。

该专利公开了一种新型的n倍脉宽扩展电路,其结构简单,可灵活调节脉宽扩展倍数,具有高适应性和易实现性。该电路包含脉宽传递序列模块(n-1个级联D触发器)、延时阵列模块(n组延时子阵列)、或逻辑组模块(预设数量的或逻辑单元)以及输出整形单元模块(1个D触发器)。 专利还介绍了一种应用该脉宽扩展电路的锁相环系统,该系统利用该电路确保了系统的稳定运行。 这项创新技术有望提升锁相环系统的性能和稳定性。
到这里,我们也就讲完了《一微半导体“一种n倍脉宽扩展电路及脉宽扩展的锁相环系统”专利获授权》的内容了。个人认为,基础知识的学习和巩固,是为了更好的将其运用到项目中,欢迎关注golang学习网公众号,带你了解更多关于一微半导体的知识点!
Symfony Messenger 监控简介
- 上一篇
- Symfony Messenger 监控简介
- 下一篇
- 加速 CI [GitHub Actions],您可以立即完成!
查看更多
最新文章
-
- 科技周边 · 人工智能 | 1小时前 |
- Claude Mythos创意能力测评与输出分析
- 263浏览 收藏
-
- 科技周边 · 人工智能 | 1小时前 | MuleRun
- MuleRun统计查看与任务分析方法
- 444浏览 收藏
-
- 科技周边 · 人工智能 | 2小时前 |
- 海螺AI语音静音设置教程
- 112浏览 收藏
-
- 科技周边 · 人工智能 | 2小时前 |
- Minimax视频生成功能全解析
- 431浏览 收藏
-
- 科技周边 · 人工智能 | 2小时前 | 文心一言 登录教程
- 文心一言官网登录教程 文心一言入口指南
- 460浏览 收藏
-
- 科技周边 · 人工智能 | 2小时前 | openclaw
- OpenClaw接入Telegram机器人教程
- 407浏览 收藏
-
- 科技周边 · 人工智能 | 2小时前 | Shutterstock
- Shutterstock高清图片怎么找?筛选下载技巧分享
- 481浏览 收藏
-
- 科技周边 · 人工智能 | 2小时前 |
- AI废话多?Gemini设置技巧教你精准提问
- 288浏览 收藏
-
- 科技周边 · 人工智能 | 2小时前 |
- DeepSeek SQL不符合MySQL规范,指定版本重写
- 297浏览 收藏
-
- 科技周边 · 人工智能 | 2小时前 |
- GammaAI如何导入3D模型?Gamma支持glb格式详解
- 175浏览 收藏
-
- 科技周边 · 人工智能 | 2小时前 |
- Luma Dream Machine视频生成方法教程
- 389浏览 收藏
-
- 科技周边 · 人工智能 | 2小时前 |
- AI视频清晰度低?后期提升技巧分享
- 285浏览 收藏
查看更多
课程推荐
-
- 前端进阶之JavaScript设计模式
- 设计模式是开发人员在软件开发过程中面临一般问题时的解决方案,代表了最佳的实践。本课程的主打内容包括JS常见设计模式以及具体应用场景,打造一站式知识长龙服务,适合有JS基础的同学学习。
- 543次学习
-
- GO语言核心编程课程
- 本课程采用真实案例,全面具体可落地,从理论到实践,一步一步将GO核心编程技术、编程思想、底层实现融会贯通,使学习者贴近时代脉搏,做IT互联网时代的弄潮儿。
- 516次学习
-
- 简单聊聊mysql8与网络通信
- 如有问题加微信:Le-studyg;在课程中,我们将首先介绍MySQL8的新特性,包括性能优化、安全增强、新数据类型等,帮助学生快速熟悉MySQL8的最新功能。接着,我们将深入解析MySQL的网络通信机制,包括协议、连接管理、数据传输等,让
- 500次学习
-
- JavaScript正则表达式基础与实战
- 在任何一门编程语言中,正则表达式,都是一项重要的知识,它提供了高效的字符串匹配与捕获机制,可以极大的简化程序设计。
- 487次学习
-
- 从零制作响应式网站—Grid布局
- 本系列教程将展示从零制作一个假想的网络科技公司官网,分为导航,轮播,关于我们,成功案例,服务流程,团队介绍,数据部分,公司动态,底部信息等内容区块。网站整体采用CSSGrid布局,支持响应式,有流畅过渡和展现动画。
- 485次学习
查看更多
AI推荐
-
- ChatExcel酷表
- ChatExcel酷表是由北京大学团队打造的Excel聊天机器人,用自然语言操控表格,简化数据处理,告别繁琐操作,提升工作效率!适用于学生、上班族及政府人员。
- 4245次使用
-
- Any绘本
- 探索Any绘本(anypicturebook.com/zh),一款开源免费的AI绘本创作工具,基于Google Gemini与Flux AI模型,让您轻松创作个性化绘本。适用于家庭、教育、创作等多种场景,零门槛,高自由度,技术透明,本地可控。
- 4604次使用
-
- 可赞AI
- 可赞AI,AI驱动的办公可视化智能工具,助您轻松实现文本与可视化元素高效转化。无论是智能文档生成、多格式文本解析,还是一键生成专业图表、脑图、知识卡片,可赞AI都能让信息处理更清晰高效。覆盖数据汇报、会议纪要、内容营销等全场景,大幅提升办公效率,降低专业门槛,是您提升工作效率的得力助手。
- 4488次使用
-
- 星月写作
- 星月写作是国内首款聚焦中文网络小说创作的AI辅助工具,解决网文作者从构思到变现的全流程痛点。AI扫榜、专属模板、全链路适配,助力新人快速上手,资深作者效率倍增。
- 6167次使用
-
- MagicLight
- MagicLight.ai是全球首款叙事驱动型AI动画视频创作平台,专注于解决从故事想法到完整动画的全流程痛点。它通过自研AI模型,保障角色、风格、场景高度一致性,让零动画经验者也能高效产出专业级叙事内容。广泛适用于独立创作者、动画工作室、教育机构及企业营销,助您轻松实现创意落地与商业化。
- 4860次使用
查看更多
相关文章
-
- GPT-4王者加冕!读图做题性能炸天,凭自己就能考上斯坦福
- 2023-04-25 501浏览
-
- 单块V100训练模型提速72倍!尤洋团队新成果获AAAI 2023杰出论文奖
- 2023-04-24 501浏览
-
- ChatGPT 真的会接管世界吗?
- 2023-04-13 501浏览
-
- VR的终极形态是「假眼」?Neuralink前联合创始人掏出新产品:科学之眼!
- 2023-04-30 501浏览
-
- 实现实时制造可视性优势有哪些?
- 2023-04-15 501浏览

