当前位置:首页 > 文章列表 > 科技周边 > 人工智能 > 【专利】北方华创“一种腔室清洁方法及半导体工艺设备”专利公布;基本半导体“碳化硅基集成SBD和SGT器件及其制备方法”专利公布;一微半导体“一种n倍脉宽扩展电路及脉宽扩展的锁相环系统”专利获授权
【专利】北方华创“一种腔室清洁方法及半导体工艺设备”专利公布;基本半导体“碳化硅基集成SBD和SGT器件及其制备方法”专利公布;一微半导体“一种n倍脉宽扩展电路及脉宽扩展的锁相环系统”专利获授权
一分耕耘,一分收获!既然都打开这篇《【专利】北方华创“一种腔室清洁方法及半导体工艺设备”专利公布;基本半导体“碳化硅基集成SBD和SGT器件及其制备方法”专利公布;一微半导体“一种n倍脉宽扩展电路及脉宽扩展的锁相环系统”专利获授权》,就坚持看下去,学下去吧!本文主要会给大家讲到等等知识点,如果大家对本文有好的建议或者看到有不足之处,非常欢迎大家积极提出!在后续文章我会继续更新科技周边相关的内容,希望对大家都有所帮助!
近期半导体行业专利动态:北方华创、基本半导体、一微半导体等企业纷纷斩获专利成果。
1. 北方华创:高效腔室清洁技术专利公布
北京北方华创微电子装备有限公司近日公布一项名为“一种腔室清洁方法及半导体工艺设备”的专利(申请公布号:CN119050039A,申请公布日:2024年11月29日)。该专利提出了一种创新的腔室清洁方法,能够自动移出挡板并执行电荷清洁,显著提高清洁效率并降低人力成本。通过巧妙的设计,该方法有效避免了挡板对清洁效果的影响,确保了静电卡盘残余电荷的彻底清除。

2. 基本半导体:碳化硅基器件制备方法专利公布
深圳基本半导体有限公司公布了一项关于“碳化硅基集成SBD和SGT器件及其制备方法”的专利(申请公布号:CN119049972A,申请公布日:2024年11月29日)。该专利提供了一种新的碳化硅沟槽型MOSFET器件制备方法,有效解决了现有技术中沟槽底部栅氧化层易击穿的问题,提升了器件的可靠性。

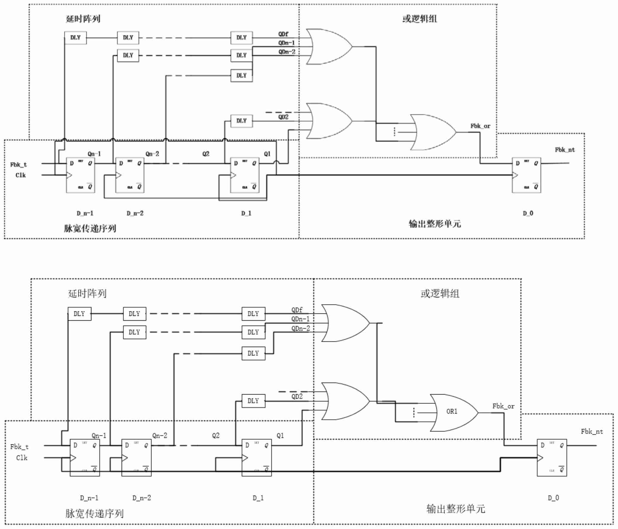
3. 一微半导体:脉宽扩展电路及锁相环系统专利授权
珠海一微半导体股份有限公司近日获得一项“一种n倍脉宽扩展电路及脉宽扩展的锁相环系统”专利授权(授权公告号:CN112202424B,授权公告日:2024年11月29日)。该专利设计了一种结构简单、灵活度高、适应性强的n倍脉宽扩展电路,并将其应用于锁相环系统,显著增强了系统的稳定性。

以上专利技术的取得,标志着中国半导体产业在工艺设备、器件制备和电路设计等领域取得了新的进展,为推动行业技术进步和产业升级提供了强有力的支撑。
理论要掌握,实操不能落!以上关于《【专利】北方华创“一种腔室清洁方法及半导体工艺设备”专利公布;基本半导体“碳化硅基集成SBD和SGT器件及其制备方法”专利公布;一微半导体“一种n倍脉宽扩展电路及脉宽扩展的锁相环系统”专利获授权》的详细介绍,大家都掌握了吧!如果想要继续提升自己的能力,那么就来关注golang学习网公众号吧!
清北团队进军具身智能,银河通用、灵初智能、星海图齐发力
- 上一篇
- 清北团队进军具身智能,银河通用、灵初智能、星海图齐发力
- 下一篇
- 我们必须了解 JavaScript 数组方法
-
- 科技周边 · 人工智能 | 4小时前 |
- 本地大模型微调入门_LoRA低显存训练指南
- 117浏览 收藏
-
- 科技周边 · 人工智能 | 4小时前 | Hermes Agent HermesAgent
- Hermes Agent是开源的吗_Hermes Agent开源协议与代码说明【开源】
- 498浏览 收藏
-
- 科技周边 · 人工智能 | 4小时前 |
- 如何在Perplexity中切换GPT-4o模型_进入Settings页面手动选择AI模型
- 438浏览 收藏
-
- 科技周边 · 人工智能 | 4小时前 | openclaw
- OpenClawAI运行慢怎么优化_OpenClawAI提升大模型响应速度技巧【技巧】
- 425浏览 收藏
-
- 科技周边 · 人工智能 | 5小时前 |
- 如何提升代码运行效率并降低功耗 利用DeepSeek Coder优化算法时间复杂度
- 254浏览 收藏
-
- 科技周边 · 人工智能 | 5小时前 | CodeGeeX CodeGeeX生成Go代码保姆级教程
- CodeGeeX怎么写Go日志_CodeGeeX生成Zap日志代码【Go日志】
- 155浏览 收藏
-
- 科技周边 · 人工智能 | 5小时前 | AI工具 民间故事ai工具
- DALL-E怎么设计AI民间故事插图_DALL-E设计AI民间故事插图详细流程说明
- 122浏览 收藏
-
- 科技周边 · 人工智能 | 5小时前 |
- 文心一言怎么分析用户评论_文心一言情感分析与洞察方法
- 223浏览 收藏
-
- 科技周边 · 人工智能 | 5小时前 |
- Minimax如何利用提示词控制颜色 Minimax配色方案写法
- 310浏览 收藏
-
- 科技周边 · 人工智能 | 6小时前 |
- 豆包AI怎样用数据增强年终总结说服力_豆包AI增说服力法【策略】
- 493浏览 收藏
-
- 科技周边 · 人工智能 | 6小时前 | ChatGPT
- 搭建高可用AI服务_Nginx反向代理与负载均衡配置
- 491浏览 收藏
-
- 科技周边 · 人工智能 | 6小时前 |
- 豆包AI如何做Plog图文排版_豆包AI制作Plog排版技巧全解析
- 200浏览 收藏
-
- 前端进阶之JavaScript设计模式
- 设计模式是开发人员在软件开发过程中面临一般问题时的解决方案,代表了最佳的实践。本课程的主打内容包括JS常见设计模式以及具体应用场景,打造一站式知识长龙服务,适合有JS基础的同学学习。
- 543次学习
-
- GO语言核心编程课程
- 本课程采用真实案例,全面具体可落地,从理论到实践,一步一步将GO核心编程技术、编程思想、底层实现融会贯通,使学习者贴近时代脉搏,做IT互联网时代的弄潮儿。
- 516次学习
-
- 简单聊聊mysql8与网络通信
- 如有问题加微信:Le-studyg;在课程中,我们将首先介绍MySQL8的新特性,包括性能优化、安全增强、新数据类型等,帮助学生快速熟悉MySQL8的最新功能。接着,我们将深入解析MySQL的网络通信机制,包括协议、连接管理、数据传输等,让
- 500次学习
-
- JavaScript正则表达式基础与实战
- 在任何一门编程语言中,正则表达式,都是一项重要的知识,它提供了高效的字符串匹配与捕获机制,可以极大的简化程序设计。
- 487次学习
-
- 从零制作响应式网站—Grid布局
- 本系列教程将展示从零制作一个假想的网络科技公司官网,分为导航,轮播,关于我们,成功案例,服务流程,团队介绍,数据部分,公司动态,底部信息等内容区块。网站整体采用CSSGrid布局,支持响应式,有流畅过渡和展现动画。
- 485次学习
-
- ChatExcel酷表
- ChatExcel酷表是由北京大学团队打造的Excel聊天机器人,用自然语言操控表格,简化数据处理,告别繁琐操作,提升工作效率!适用于学生、上班族及政府人员。
- 4469次使用
-
- Any绘本
- 探索Any绘本(anypicturebook.com/zh),一款开源免费的AI绘本创作工具,基于Google Gemini与Flux AI模型,让您轻松创作个性化绘本。适用于家庭、教育、创作等多种场景,零门槛,高自由度,技术透明,本地可控。
- 4814次使用
-
- 可赞AI
- 可赞AI,AI驱动的办公可视化智能工具,助您轻松实现文本与可视化元素高效转化。无论是智能文档生成、多格式文本解析,还是一键生成专业图表、脑图、知识卡片,可赞AI都能让信息处理更清晰高效。覆盖数据汇报、会议纪要、内容营销等全场景,大幅提升办公效率,降低专业门槛,是您提升工作效率的得力助手。
- 4698次使用
-
- 星月写作
- 星月写作是国内首款聚焦中文网络小说创作的AI辅助工具,解决网文作者从构思到变现的全流程痛点。AI扫榜、专属模板、全链路适配,助力新人快速上手,资深作者效率倍增。
- 6489次使用
-
- MagicLight
- MagicLight.ai是全球首款叙事驱动型AI动画视频创作平台,专注于解决从故事想法到完整动画的全流程痛点。它通过自研AI模型,保障角色、风格、场景高度一致性,让零动画经验者也能高效产出专业级叙事内容。广泛适用于独立创作者、动画工作室、教育机构及企业营销,助您轻松实现创意落地与商业化。
- 5064次使用
-
- GPT-4王者加冕!读图做题性能炸天,凭自己就能考上斯坦福
- 2023-04-25 501浏览
-
- 单块V100训练模型提速72倍!尤洋团队新成果获AAAI 2023杰出论文奖
- 2023-04-24 501浏览
-
- ChatGPT 真的会接管世界吗?
- 2023-04-13 501浏览
-
- VR的终极形态是「假眼」?Neuralink前联合创始人掏出新产品:科学之眼!
- 2023-04-30 501浏览
-
- 实现实时制造可视性优势有哪些?
- 2023-04-15 501浏览

