Redis数据结构类型示例解析
IT行业相对于一般传统行业,发展更新速度更快,一旦停止了学习,很快就会被行业所淘汰。所以我们需要踏踏实实的不断学习,精进自己的技术,尤其是初学者。今天golang学习网给大家整理了《Redis数据结构类型示例解析》,聊聊类型、Redis数据结构,我们一起来看看吧!
intset
当set集合存储的是整数时,encoding为intset类型(小整数集合)
typedef struct intset {
int32 encoding;
int32 length;
int contents[];
}
| 字段 | 描述 | 说明 |
|---|---|---|
| encoding | 决定整数位宽是16位、32位还是64位 | 枚举表示 |
| length | 元素个数 | |
| contents | 整数数组,存储元素值 |
intset按照从小到大的顺序保存元素。存储元素时,根据整数大小决定是否要将encoding升级,找到要插入元素的位置,如果不是最后一位,会将所在位置之后的元素后移一位,最后插入元素。如果插入的元素不为整数,存储形式将变成hash结构。
ziplist
当hash与zset满足如下条件条件时,编码类型为ziplist(压缩列表),具体可在配置文件中查看。
hash-max-ziplist-entries 512 # 当hash元素个数小于512时 hash-max-ziplist-value 64 # 当hash键或值长度小于64时 zset-max-ziplist-entries 128 # 当zset元素个数小于128时 zset-max-ziplist-value 64 # 当zset值小于64时
typedef struct ziplist {
int32 zlbytes;
int32 zltail_offset;
int16 zllength;
T[] entries;
int8 zlend;
}
typedef struct entry {
int<var> prevlen;
int<var> encoding;
byte[] content;
}
</var></var>
| 字段 | 描述 | 说明 |
|---|---|---|
| zlbytes | ziplist所占字节数 | |
| zltail_offset | 最后一个元素距离压缩列表起始位置的偏移量 | 用于快速定位到最后一个节点,然后倒序遍历 |
| zllength | 元素个数 | |
| entries | 压缩元素 | |
| zlend | 标志压缩列表的结束 | 恒为FF |
| 字段 | 描述 | 说明 |
|---|---|---|
| prevlen | 前一个entry的字节长度 | 第一个entry恒为0,字节长度动态变化,当字符串长度小于254时,用一个字节,否则用五个字节 |
| encoding | 编码类型 | 编码类型根据元素内容动态变化,极为复杂,本篇不作详细描述,具体可搜索ziplist编码类型 |
| content | 元素内容,可选 |
下图是一个ziplist的demo

- 第1-4字节,zlbytes为25,说明该压缩列表共占用25个字节
- 第5-8字节,zltail_offset为22,说明最后一个元素从22开始
- 第9-10字节,zllength为3,说明共有3个元素
- 第11-16字节,第一个entry: 其中prevlen=0,因为它前面没有数据项;encoding=4,表示后面4byte按照字符串存储,数据的值为name
- 第17-21字节,第二个entry: 其中prevlen=6,表示前一个entry共占用6byte;encoding=3,表示后面3byte按照字符串存储,数据的值为why
- 第22-24字节,第三个entry: 其中prevlen=5,表示前一个entry共占用5byte;encoding=0xFE,表示后面1byte存储整数,数据的值为14
- 第25字节,zlend为FF,标志压缩列表的结束
当用ziplist存储hash结构时,将key与value分别当作一个entry存储。
可见压缩列表存储非常的紧凑,当某一个entry长度变为254时,下一个entry的prevlen将从1个字节扩展到5个字节,这就是级联更新
quicklist
quicklist(快速列表)用于存储list集合,它是ziplist与linkedlist的混合体,linkedlist与双向列表结构类似。
quicklist内部默认单个ziplist长度为8K,超过这个长度,就会另起一个node,可在配置文件中配置。
# -2表示8k,枚举类型可在配置文件中查看 list-max-ziplist-size -2
quicklist默认的压缩深度为0,也就是不压缩。如果压缩深度为1,那么就是首尾不压缩,如果压缩深度为2,那么就是首2个、尾2个不压缩,可在配置文件中配置。
list-compress-depth 0
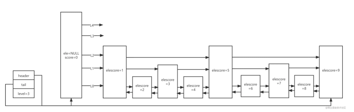
skiplist
zset使用dict存储value与score的映射,另一方面还需要按照score提供排序功能,于是就有了skiplist(跳跃列表)
先看skiplist的一个demo

typedef struct zsl {
zslnode* header;
zslnode* tail;
int maxLevel;
}
typedef struct zslnode {
sds value;
double score;
zslforward*[] forwards;
zslnode* backward;
}
typedef struct zslforward {
zslnode* item;
int span;
}
| 字段 | 描述 | 说明 |
|---|---|---|
| header | 指向跳跃列表的头指针 | value固定为NULL,score固定为0,backward为null |
| tail | 指向跳跃列表的尾指针 | |
| maxLevel | 当前跳跃表最大层数 | 最大为64 |
| value | 用于存储字符串类型的数据 | |
| score | 用于存储分值 | |
| backward | 回退节点 | 图中的←箭头 |
| forwards | 前进节点 | 图中的→箭头,每一层对应一个 |
| span | 跨度,存储一个节点跳到下一个节点中间跳过了多少节点 | 如score1指向score5,则span值为4,这是排名的实现原理 |
最小分值的backward固定null,对于每一个新插入的节点,会调用一个随机算法,来给它分配一个合理的层数
level1的概率为1-0.25=0.75,实际为100%,因为跳跃列表的最小层数为1
level2的概率为0.75*0.25=0.1875level3的概率为0.1875*0.25=0.0468 ......
leveln的概率为(1-0.25)*Math.pow(0.25,n-1)
总结
Redis作为单线程内存服务,在响应、数据结构上作出了很多的优化,值得我们学习
| 对象类型 | 编码类型 |
|---|---|
| string | int、raw、embstr |
| list | quicklist |
| hash | dict、ziplist |
| set | intset、dict |
| zset | ziplist、skiplist+dict |
HyperLogLog
HyperLogLog的原理为伯努利试验,即丢硬币,根据连续出现反面的次数X,推算出一共丢了2的X次方次硬币,当X很大时,推算出来的总数与实际总数误差就很接近了。具体可查询其他文章。
pfadd
element经过hash算法之后是一个64位的固定值
低14位为桶
查找高50位第一个为1的位数,如果大于当前桶的位数,就将其设置为当前桶的位数
假设hash值是 :{此处省略45位}01100 00000000000101
- 低14位的二进制转为10进制,值为5(regnum),即我们把数据放在第5个桶
- 高50位第一个1的位置是3,即count值为3
- registers[5]取出历史值oldcount
- 如果count > oldcount,则更新 registers[5] = count
- 如果count
HyperLogLog用了16384个桶,每个桶占用6bit,因此说一个HyperLogLog所占用内存是12K。
调和平均数:
假设我的工资为10_000,马云的工资为1_000_000,那我和马云的平均工资为505_000,我肯定是不认同的。。。
如果使用调和平均数,则为2/(1/10_000+1/1_000_000)=19_801
同理,桶位数的平均数为:n/(1/桶1位数+1/桶2位数+...+1/桶n位数)
桶的平均个数为:Math.pow(2,桶位数的平均数)
总数量:const*桶总数n*桶的平均个数,其中constant为不定值,与桶个数有关,假设m为桶个数,取对数
pfcount
p=log2m
switch (p) {
case 4:
constant = 0.673 * m * m;
case 5:
constant = 0.697 * m * m;
case 6:
constant = 0.709 * m * m;
default:
constant = (0.7213 / (1 + 1.079 / m)) * m * m;
}
今天关于《Redis数据结构类型示例解析》的内容介绍就到此结束,如果有什么疑问或者建议,可以在golang学习网公众号下多多回复交流;文中若有不正之处,也希望回复留言以告知!
k8s部署redis集群实现过程实例详解
- 上一篇
- k8s部署redis集群实现过程实例详解
- 下一篇
- Redis数据结构原理浅析
-
- 数据库 · Redis | 4小时前 |
- Redis集群节点故障处理指南
- 377浏览 收藏
-
- 数据库 · Redis | 5小时前 |
- Redis清理无热度图片缓存技巧
- 427浏览 收藏
-
- 数据库 · Redis | 1天前 |
- 关闭Redis自动配置,彻底禁用AutoConfiguration方法
- 227浏览 收藏
-
- 数据库 · Redis | 1天前 |
- RedisSentinel自动故障转移配置全解析
- 166浏览 收藏
-
- 数据库 · Redis | 1天前 |
- Redis监控关键影响因素解析
- 381浏览 收藏
-
- 数据库 · Redis | 2天前 |
- Redis集群部署难?Cluster模式轻松实现分片与高可用
- 342浏览 收藏
-
- 数据库 · Redis | 3天前 |
- Redis持久化难题:分片与策略如何协同?
- 494浏览 收藏
-
- 数据库 · Redis | 3天前 |
- Redis发布订阅报警系统是否可靠?
- 227浏览 收藏
-
- 数据库 · Redis | 3天前 |
- RedisBGSAVE防淘汰,COW与内存冗余解析
- 360浏览 收藏
-
- 数据库 · Redis | 3天前 |
- Redis大Key拆分方法:降低同步带宽压力
- 137浏览 收藏
-
- 数据库 · Redis | 3天前 |
- Redis高并发防缓存雪崩方法
- 213浏览 收藏
-
- 数据库 · Redis | 4天前 |
- Redis主从断连原因及tcp-keepalive设置
- 272浏览 收藏
-
- 前端进阶之JavaScript设计模式
- 设计模式是开发人员在软件开发过程中面临一般问题时的解决方案,代表了最佳的实践。本课程的主打内容包括JS常见设计模式以及具体应用场景,打造一站式知识长龙服务,适合有JS基础的同学学习。
- 543次学习
-
- GO语言核心编程课程
- 本课程采用真实案例,全面具体可落地,从理论到实践,一步一步将GO核心编程技术、编程思想、底层实现融会贯通,使学习者贴近时代脉搏,做IT互联网时代的弄潮儿。
- 516次学习
-
- 简单聊聊mysql8与网络通信
- 如有问题加微信:Le-studyg;在课程中,我们将首先介绍MySQL8的新特性,包括性能优化、安全增强、新数据类型等,帮助学生快速熟悉MySQL8的最新功能。接着,我们将深入解析MySQL的网络通信机制,包括协议、连接管理、数据传输等,让
- 500次学习
-
- JavaScript正则表达式基础与实战
- 在任何一门编程语言中,正则表达式,都是一项重要的知识,它提供了高效的字符串匹配与捕获机制,可以极大的简化程序设计。
- 487次学习
-
- 从零制作响应式网站—Grid布局
- 本系列教程将展示从零制作一个假想的网络科技公司官网,分为导航,轮播,关于我们,成功案例,服务流程,团队介绍,数据部分,公司动态,底部信息等内容区块。网站整体采用CSSGrid布局,支持响应式,有流畅过渡和展现动画。
- 485次学习
-
- ChatExcel酷表
- ChatExcel酷表是由北京大学团队打造的Excel聊天机器人,用自然语言操控表格,简化数据处理,告别繁琐操作,提升工作效率!适用于学生、上班族及政府人员。
- 4492次使用
-
- Any绘本
- 探索Any绘本(anypicturebook.com/zh),一款开源免费的AI绘本创作工具,基于Google Gemini与Flux AI模型,让您轻松创作个性化绘本。适用于家庭、教育、创作等多种场景,零门槛,高自由度,技术透明,本地可控。
- 4841次使用
-
- 可赞AI
- 可赞AI,AI驱动的办公可视化智能工具,助您轻松实现文本与可视化元素高效转化。无论是智能文档生成、多格式文本解析,还是一键生成专业图表、脑图、知识卡片,可赞AI都能让信息处理更清晰高效。覆盖数据汇报、会议纪要、内容营销等全场景,大幅提升办公效率,降低专业门槛,是您提升工作效率的得力助手。
- 4717次使用
-
- 星月写作
- 星月写作是国内首款聚焦中文网络小说创作的AI辅助工具,解决网文作者从构思到变现的全流程痛点。AI扫榜、专属模板、全链路适配,助力新人快速上手,资深作者效率倍增。
- 6553次使用
-
- MagicLight
- MagicLight.ai是全球首款叙事驱动型AI动画视频创作平台,专注于解决从故事想法到完整动画的全流程痛点。它通过自研AI模型,保障角色、风格、场景高度一致性,让零动画经验者也能高效产出专业级叙事内容。广泛适用于独立创作者、动画工作室、教育机构及企业营销,助您轻松实现创意落地与商业化。
- 5084次使用
-
- 一文带你了解Go语言中的类型断言和类型转换
- 2022-12-28 196浏览
-
- Golang中map数据类型的使用方法
- 2022-12-30 443浏览
-
- 一文详解Golang中的切片数据类型
- 2022-12-31 171浏览
-
- Go 编程复杂数据类型 Map
- 2023-01-01 306浏览
-
- Go类型转化工具库cast函数详解
- 2023-01-07 235浏览

