积塔半导体失效测试电路专利曝光
2025-07-09 08:36:40
0浏览
收藏
从现在开始,我们要努力学习啦!今天我给大家带来《积塔半导体失效测试电路专利曝光》,感兴趣的朋友请继续看下去吧!下文中的内容我们主要会涉及到等等知识点,如果在阅读本文过程中有遇到不清楚的地方,欢迎留言呀!我们一起讨论,一起学习!
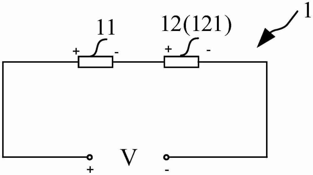
天眼查信息显示,上海积塔半导体有限公司于2025年3月14日公开了一项名为“失效测试电路及方法”的专利,专利申请公布号为CN119619786A。

该发明涉及一种失效测试电路及其测试方法,其中包含串联设置的待测器件与保护模块;当待测器件出现二次击穿现象时,保护模块能够有效降低电流热效应对器件的影响,从而保护其失效部位的形貌。此方案允许在确保安全的前提下,采用更大的电压或电流步长进行测试,加快达到所需测试条件的速度,并在发生二次击穿后迅速响应断开电路,在提升测试效率的同时保证准确性。此外,该结构设计简洁、操作方便,有助于缩短测试周期,提高整体产出效率。
以上就是本文的全部内容了,是否有顺利帮助你解决问题?若是能给你带来学习上的帮助,请大家多多支持golang学习网!更多关于科技周边的相关知识,也可关注golang学习网公众号。
Python@property高级用法:解决int不可调用问题
- 上一篇
- Python@property高级用法:解决int不可调用问题
- 下一篇
- 零基础也能用!AI工具使用逻辑解析
查看更多
最新文章
-
- 科技周边 · 人工智能 | 14分钟前 | LiblibAI
- LibLibAI如何管理每日算力_LibLibAI积分使用策略【教程】
- 215浏览 收藏
-
- 科技周边 · 人工智能 | 29分钟前 | openclaw
- OpenClawAI破解版风险安全警示入口_OpenClawAI破解版为何不建议使用
- 416浏览 收藏
-
- 科技周边 · 人工智能 | 29分钟前 | Hermes Agent HermesAgent
- HermesAgent连接WhatsApp教程:利用MetaAPI实现个人号自动化回复
- 355浏览 收藏
-
- 科技周边 · 人工智能 | 36分钟前 |
- 用 Cursor AI 写 Java 项目体验怎么样?
- 308浏览 收藏
-
- 科技周边 · 人工智能 | 51分钟前 |
- DeepSeek V4在Cursor报错_代码补全延迟与上下文窗口限制【Cursor】
- 383浏览 收藏
-
- 科技周边 · 人工智能 | 58分钟前 |
- 文心一言提示当前账号存在异常操作_联系客服确认是否误判并按照提示进行实名解封
- 137浏览 收藏
-
- 科技周边 · 人工智能 | 1小时前 |
- 文心一言怎么生成爬虫脚本_文心一言自动化数据采集代码编写
- 393浏览 收藏
-
- 科技周边 · 人工智能 | 1小时前 |
- AI帮你为孩子解答“十万个为什么”
- 348浏览 收藏
-
- 科技周边 · 人工智能 | 1小时前 |
- WorkBuddy无法连接远程终端怎么办_检查安全组3389与443端口开启情况
- 107浏览 收藏
-
- 科技周边 · 人工智能 | 1小时前 | CanvaAI Canva可画
- Canva可画网站搭建教程_无需代码设计个人主页
- 390浏览 收藏
-
- 科技周边 · 人工智能 | 1小时前 |
- 如何用AI一键生成朋友圈文案 AI社交媒体状态自动生成器【教程】
- 481浏览 收藏
-
- 科技周边 · 人工智能 | 2小时前 | CanvaAI Canva可画
- Canva可画年卡与月卡对比_哪种订阅方式更划算
- 133浏览 收藏
查看更多
课程推荐
-
- 前端进阶之JavaScript设计模式
- 设计模式是开发人员在软件开发过程中面临一般问题时的解决方案,代表了最佳的实践。本课程的主打内容包括JS常见设计模式以及具体应用场景,打造一站式知识长龙服务,适合有JS基础的同学学习。
- 543次学习
-
- GO语言核心编程课程
- 本课程采用真实案例,全面具体可落地,从理论到实践,一步一步将GO核心编程技术、编程思想、底层实现融会贯通,使学习者贴近时代脉搏,做IT互联网时代的弄潮儿。
- 516次学习
-
- 简单聊聊mysql8与网络通信
- 如有问题加微信:Le-studyg;在课程中,我们将首先介绍MySQL8的新特性,包括性能优化、安全增强、新数据类型等,帮助学生快速熟悉MySQL8的最新功能。接着,我们将深入解析MySQL的网络通信机制,包括协议、连接管理、数据传输等,让
- 500次学习
-
- JavaScript正则表达式基础与实战
- 在任何一门编程语言中,正则表达式,都是一项重要的知识,它提供了高效的字符串匹配与捕获机制,可以极大的简化程序设计。
- 487次学习
-
- 从零制作响应式网站—Grid布局
- 本系列教程将展示从零制作一个假想的网络科技公司官网,分为导航,轮播,关于我们,成功案例,服务流程,团队介绍,数据部分,公司动态,底部信息等内容区块。网站整体采用CSSGrid布局,支持响应式,有流畅过渡和展现动画。
- 485次学习
查看更多
AI推荐
-
- ChatExcel酷表
- ChatExcel酷表是由北京大学团队打造的Excel聊天机器人,用自然语言操控表格,简化数据处理,告别繁琐操作,提升工作效率!适用于学生、上班族及政府人员。
- 4466次使用
-
- Any绘本
- 探索Any绘本(anypicturebook.com/zh),一款开源免费的AI绘本创作工具,基于Google Gemini与Flux AI模型,让您轻松创作个性化绘本。适用于家庭、教育、创作等多种场景,零门槛,高自由度,技术透明,本地可控。
- 4812次使用
-
- 可赞AI
- 可赞AI,AI驱动的办公可视化智能工具,助您轻松实现文本与可视化元素高效转化。无论是智能文档生成、多格式文本解析,还是一键生成专业图表、脑图、知识卡片,可赞AI都能让信息处理更清晰高效。覆盖数据汇报、会议纪要、内容营销等全场景,大幅提升办公效率,降低专业门槛,是您提升工作效率的得力助手。
- 4691次使用
-
- 星月写作
- 星月写作是国内首款聚焦中文网络小说创作的AI辅助工具,解决网文作者从构思到变现的全流程痛点。AI扫榜、专属模板、全链路适配,助力新人快速上手,资深作者效率倍增。
- 6486次使用
-
- MagicLight
- MagicLight.ai是全球首款叙事驱动型AI动画视频创作平台,专注于解决从故事想法到完整动画的全流程痛点。它通过自研AI模型,保障角色、风格、场景高度一致性,让零动画经验者也能高效产出专业级叙事内容。广泛适用于独立创作者、动画工作室、教育机构及企业营销,助您轻松实现创意落地与商业化。
- 5061次使用
查看更多
相关文章
-
- GPT-4王者加冕!读图做题性能炸天,凭自己就能考上斯坦福
- 2023-04-25 501浏览
-
- 单块V100训练模型提速72倍!尤洋团队新成果获AAAI 2023杰出论文奖
- 2023-04-24 501浏览
-
- ChatGPT 真的会接管世界吗?
- 2023-04-13 501浏览
-
- VR的终极形态是「假眼」?Neuralink前联合创始人掏出新产品:科学之眼!
- 2023-04-30 501浏览
-
- 实现实时制造可视性优势有哪些?
- 2023-04-15 501浏览

