智芯微SARADC专利发布,量化器技术升级揭秘
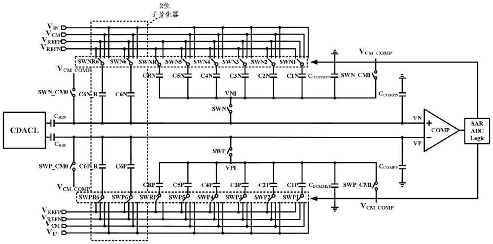
**智芯微发布SARADC新专利,辅助量化器技术升级,助力低功耗宽电压应用** 北京智芯微电子科技有限公司近日公开了一项名为“一种内嵌两位辅助量化器的SARADC结构”的专利,标志着其在半导体器件技术领域取得新突破。该专利(CN119628643A)提出了一种创新的SARADC结构,通过内嵌两位辅助量化器,有效解决了传统SARADC在宽电压输入环境下对低压器件进行信号量化处理的难题。该设计巧妙地将比较器输入端的电压范围限制在1.8V以内,实现了在宽电压输入条件下的低功耗工作,显著优化了SARADC的速度与能耗表现。这一技术升级有望推动SARADC在更广泛的领域应用,尤其是在对功耗和电压范围有较高要求的场景中。
天眼查信息显示,北京智芯微电子科技有限公司于2025年3月14日公布了名为“一种内嵌两位辅助量化器的SARADC结构”的专利,专利申请公布号为CN119628643A。

该发明提出了一种具备两位辅助量化器的SARADC结构,属于半导体器件技术领域。其主要包括输入电压模块、高位电容阵列模块、桥接电容模块以及比较器模块。本发明所提出的SARADC结构能够在宽电压输入环境下运行,通过两位辅助量化器生成最高有效位(MSB)与次有效位(MSB‑1)的比较信号,并依据这些信号控制开关阵列的切换以及高位电容的状态调整,从而参与SARADC的量化过程。该设计可将比较器输入端VN和VP的电压范围限制在1.8V以内,实现了在宽电压输入条件下对低压器件的信号量化处理,满足了SARADC在宽电压输入和低功耗工作方面的要求,同时优化了其速度与能耗表现。
以上就是《智芯微SARADC专利发布,量化器技术升级揭秘》的详细内容,更多关于低功耗,智芯微,SARADC,辅助量化器,宽电压的资料请关注golang学习网公众号!
Golang反射修改字段值的技巧与注意事项
- 上一篇
- Golang反射修改字段值的技巧与注意事项
- 下一篇
- Vue组件通信:props与$emit使用全解析
-
- 科技周边 · 人工智能 | 9分钟前 |
- Perplexity Pro无法切换Sonar模型?检查实验室权限设置
- 128浏览 收藏
-
- 科技周边 · 人工智能 | 12分钟前 |
- 通义千问竞品分析与市场对比
- 188浏览 收藏
-
- 科技周边 · 人工智能 | 15分钟前 |
- 深度优化简历,一岗一策精准修改技巧
- 345浏览 收藏
-
- 科技周边 · 人工智能 | 15分钟前 |
- WorkBuddy为何更适配中国开发者?本土化优化解析
- 232浏览 收藏
-
- 科技周边 · 人工智能 | 22分钟前 |
- Deepseek 满血版搭配 SlidesAI,PPT 设计更轻松
- 449浏览 收藏
-
- 科技周边 · 人工智能 | 27分钟前 |
- 配置Recraft API密钥,轻松调用矢量生成能力
- 146浏览 收藏
-
- 科技周边 · 人工智能 | 31分钟前 |
- AI文案怎么写\_爆款标题生成与营销技巧
- 117浏览 收藏
-
- 科技周边 · 人工智能 | 36分钟前 |
- 利用Perplexity学外语:中英对照翻译技巧
- 178浏览 收藏
-
- 科技周边 · 人工智能 | 9小时前 |
- WorkBuddyAI做数据报表教程
- 205浏览 收藏
-
- 科技周边 · 人工智能 | 9小时前 | 人工智能工具
- NotionAI数据库字段分类技巧
- 315浏览 收藏
-
- 科技周边 · 人工智能 | 9小时前 |
- Perplexity快速上手Playwright测试教程
- 422浏览 收藏
-
- 科技周边 · 人工智能 | 9小时前 |
- ClaudeMythos市场分析与应用教程
- 110浏览 收藏
-
- 前端进阶之JavaScript设计模式
- 设计模式是开发人员在软件开发过程中面临一般问题时的解决方案,代表了最佳的实践。本课程的主打内容包括JS常见设计模式以及具体应用场景,打造一站式知识长龙服务,适合有JS基础的同学学习。
- 543次学习
-
- GO语言核心编程课程
- 本课程采用真实案例,全面具体可落地,从理论到实践,一步一步将GO核心编程技术、编程思想、底层实现融会贯通,使学习者贴近时代脉搏,做IT互联网时代的弄潮儿。
- 516次学习
-
- 简单聊聊mysql8与网络通信
- 如有问题加微信:Le-studyg;在课程中,我们将首先介绍MySQL8的新特性,包括性能优化、安全增强、新数据类型等,帮助学生快速熟悉MySQL8的最新功能。接着,我们将深入解析MySQL的网络通信机制,包括协议、连接管理、数据传输等,让
- 500次学习
-
- JavaScript正则表达式基础与实战
- 在任何一门编程语言中,正则表达式,都是一项重要的知识,它提供了高效的字符串匹配与捕获机制,可以极大的简化程序设计。
- 487次学习
-
- 从零制作响应式网站—Grid布局
- 本系列教程将展示从零制作一个假想的网络科技公司官网,分为导航,轮播,关于我们,成功案例,服务流程,团队介绍,数据部分,公司动态,底部信息等内容区块。网站整体采用CSSGrid布局,支持响应式,有流畅过渡和展现动画。
- 485次学习
-
- ChatExcel酷表
- ChatExcel酷表是由北京大学团队打造的Excel聊天机器人,用自然语言操控表格,简化数据处理,告别繁琐操作,提升工作效率!适用于学生、上班族及政府人员。
- 4503次使用
-
- Any绘本
- 探索Any绘本(anypicturebook.com/zh),一款开源免费的AI绘本创作工具,基于Google Gemini与Flux AI模型,让您轻松创作个性化绘本。适用于家庭、教育、创作等多种场景,零门槛,高自由度,技术透明,本地可控。
- 4857次使用
-
- 可赞AI
- 可赞AI,AI驱动的办公可视化智能工具,助您轻松实现文本与可视化元素高效转化。无论是智能文档生成、多格式文本解析,还是一键生成专业图表、脑图、知识卡片,可赞AI都能让信息处理更清晰高效。覆盖数据汇报、会议纪要、内容营销等全场景,大幅提升办公效率,降低专业门槛,是您提升工作效率的得力助手。
- 4730次使用
-
- 星月写作
- 星月写作是国内首款聚焦中文网络小说创作的AI辅助工具,解决网文作者从构思到变现的全流程痛点。AI扫榜、专属模板、全链路适配,助力新人快速上手,资深作者效率倍增。
- 6573次使用
-
- MagicLight
- MagicLight.ai是全球首款叙事驱动型AI动画视频创作平台,专注于解决从故事想法到完整动画的全流程痛点。它通过自研AI模型,保障角色、风格、场景高度一致性,让零动画经验者也能高效产出专业级叙事内容。广泛适用于独立创作者、动画工作室、教育机构及企业营销,助您轻松实现创意落地与商业化。
- 5095次使用
-
- GPT-4王者加冕!读图做题性能炸天,凭自己就能考上斯坦福
- 2023-04-25 501浏览
-
- 单块V100训练模型提速72倍!尤洋团队新成果获AAAI 2023杰出论文奖
- 2023-04-24 501浏览
-
- ChatGPT 真的会接管世界吗?
- 2023-04-13 501浏览
-
- VR的终极形态是「假眼」?Neuralink前联合创始人掏出新产品:科学之眼!
- 2023-04-30 501浏览
-
- 实现实时制造可视性优势有哪些?
- 2023-04-15 501浏览

