如何最优化地使用MySQL索引?
目前golang学习网上已经有很多关于数据库的文章了,自己在初次阅读这些文章中,也见识到了很多学习思路;那么本文《如何最优化地使用MySQL索引?》,也希望能帮助到大家,如果阅读完后真的对你学习数据库有帮助,欢迎动动手指,评论留言并分享~

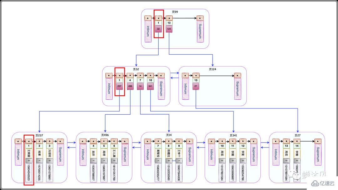
为了更好地进行解释,我创建了一个存储引擎为InnoDB的表user_innodb,并批量初始化了500W+条数据。包含主键id、姓名字段(name)、性别字段(gender,用0,1表示不同性别)、手机号字段(phone),并为name和phone字段创建了联合索引。
CREATE TABLE `user_innodb` ( `id` int NOT NULL AUTO_INCREMENT, `name` varchar(255) DEFAULT NULL, `gender` tinyint(1) DEFAULT NULL, `phone` varchar(11) DEFAULT NULL, PRIMARY KEY (`id`), INDEX IDX_NAME_PHONE (name, phone) ) ENGINE=InnoDB DEFAULT CHARSET=utf8mb4;
1. 索引的代价
索引可以非常有效地提升查询效率,既然这么好,我给每个字段都创建一个索引行不行?我劝你不要冲动。
任何事情都有两面,索引也不例外。过度使用索引,我们在空间和时间上都会付出相应的代价。
1.1 空间上的代价
索引就是一棵B+数,每创建一个索引都需要创建一棵B+树,每一棵B+树的节点都是一个数据页,每一个数据页默认会占用16KB的磁盘空间,每一棵B+树又会包含许许多多的数据页。所以,大量创建索引,你的磁盘空间会被迅速消耗。
1.2 时间上的代价
空间上的代价你可以使用“钞能力”来解决,但时间上的代价我们可能就束手无策了。
链表的维护
我以主键索引为例举个例子,主键索引的B+树的每一个节点内的记录都是按照主键值由小到大的顺序,采用单向链表的方式进行连接的。如下图所示:

如果我现在要删除主键id为1的记录,会破坏3个数据页内的记录排序,需要对这3个数据页内的记录进行重排列,插入和修改操作也是同理。
注:这里给大家提一嘴,其实删除操作并不会立即进行数据页内记录的重排列,而是会给被删除的记录打上一个删除的标识,等到合适的时候,再把记录从链表中移除,但是总归需要涉及到排序的维护,势必要消耗性能。
假如这张表有12个字段,我们为这张表的12个字段都设置了索引,我们删除1条记录,需要涉及到12棵B+树的N个数据页内记录的排序维护。
更糟糕的是,你增删改记录的时候,还可能会触发数据页的回收和分裂。还是以上图为例,假如我删除了id为13的记录,那么数据页124就没有存在的必要了,会被InnoDB存储引擎回收;我插入一条id为12的记录,如果数据页32的空间不足以存储该记录,InnoDB又需要进行页面分裂。我们不需要知道页面回收和页面分裂的细节,但是能够想象到这个操作会有多复杂。
如果每个字段都创建索引,所有这些索引的维护操作带来的性能损耗,你能想象了吧。
查询计划
执行查询语句之前,MySQL查询优化器会基于cost成本对一条查询语句进行优化,并生成一个执行计划。如果创建的索引太多,优化器会计算每个索引的搜索成本,导致在分析过程中耗时太多,最终影响查询语句的执行效率。
2. 回表的代价
2.1 什么是回表
我再啰嗦一遍什么是回表,我们可以通过二级索引找到B+树中的叶子结点,但是二级索引的叶子节点的内容并不全,只有索引列的值和主键值。我们需要拿着主键值再去聚簇索引(主键索引)的叶子节点中去拿到完整的用户记录,这个过程叫做回表。

上图中我以name二级索引为例,并且只画出了二级索引的叶子节点和聚簇索引的叶子节点,省略了两棵B+树的非叶子节点。
从二级索引的叶子节点延伸出的3条线表示的就是回表操作。
2.2 回表的代价
我们根据name字段查找二级索引的叶子节点的代价还是比较小的,原因有二:
叶子节点所在的页通过双向链表进行关联,遍历的速度比较快;
MySQL会尽量让同一个索引的叶子节点的数据页在磁盘空间中相邻,尽力避免随机IO。
但是二级索引叶子节点中的主键id的排布就没有任何规律了,毕竟name索引是对name字段进行排序的。进行回表的时候,极有可能出现主键id所在的记录在聚簇索引叶子节点中反复横跳的情况(正如上图中回表的3条线表示的那样),也就是随机IO。如果目标数据页恰好在内存中的话效果倒也不会太差,但如果不在内存中,还要从磁盘中加载一个数据页的内容(16KB)到内存中,这个速度可就太慢了。
是不是说完了回表的代价之后,我会给出一种更高效的搜索方式?不是,回表已经是一种比较高效的搜索方式了,我们需要做的就是尽量地减少回表操作带来的损耗,总结起来就是两点:
能不回表就不回;
必须回表就减少回表的次数。
接下来先给大家介绍两个与回表相关的重要概念,这两个概念涉及到的方法也是索引使用原则的一部分,因为比较重要,在这里我把这两个概念先解释给大家听。
3. 索引覆盖、索引下推
3.1 索引覆盖
想一下,如果非聚簇索引的叶子节点上有你想要的所有数据,是不是就不需要回表了呢?比如我为name和phone字段创建了一个联合索引,如下图:

如果我们恰好只想搜索name、phone以及主键字段,
SELECT id, name, phone FROM user_innodb WHERE name = "蝉沐风";
可以直接从叶子节点获取所有数据,根本不需要回表操作。
我们把索引中已经包含了所有需要读取的列数据的查询方式称为覆盖索引(或索引覆盖)。
3.2 索引下推
3.2.1 概念
还是拿name和phone的联合索引为例,我们要查询所有name为「蝉沐风」,并且手机尾号为6606的记录,查询SQL如下:
SELECT * FROM user_innodb WHERE name = "蝉沐风" AND phone LIKE "%6606";
由于联合索引的叶子节点的记录是先按照name字段排序,name字段相同的情况下再按照phone字段排序,因此把%加在phone字段前面的时候,是无法利用索引的顺序性来进行快速比较的,也就是说这条查询语句中只有name字段可以使用索引进行快速比较和过滤。正常情况下查询过程是这个样子的:
InnoDB使用联合索引查出所有name为蝉沐风的二级索引数据,得到3个主键值:3485,78921,423476;
拿到主键索引进行回表,到聚簇索引中拿到这三条完整的用户记录;
InnoDB把这3条完整的用户记录返回给MySQL的Server层,在Server层过滤出尾号为6606的用户。
如下面两幅图所示,第一幅图表示InnoDB通过3次回表拿到3条完整的用户记录,交给Server层;第二幅图表示Server层经过phone LIKE "%6606"条件的过滤之后找到符合搜索条件的记录,返给客户端。


值得我们关注的是,索引的使用是在存储引擎中进行的,而数据记录的比较是在Server层中进行的。现在我们把上述搜索考虑地极端一点,假如数据表中10万条记录都符合name='蝉沐风'的条件,而只有1条符合phone LIKE "%6606"条件,这就意味着,InnoDB需要将99999条无效的记录传输给Server层让其自己筛选,更严重的是,这99999条数据都是通过回表搜索出来的啊!关于回表的代价你已经知道了。
现在引入索引下推。准确来说,应该叫做索引条件下推(Index Condition Pushdown,ICP),就是过滤的动作由下层的存储引擎层通过使用索引来完成,而不需要上推到Server层进行处理。ICP是在MySQL5.6之后完善的功能。
再回顾一下,我们第一步已经通过name = "蝉沐风"在联合索引的叶子节点中找到了符合条件的3条记录,而且phone字段也恰好在联合索引的叶子节点的记录中。这个时候可以直接在联合索引的叶子节点中进行遍历,筛选出尾号为6606的记录,找到主键值为78921的记录,最后只需要进行1次回表操作即可找到符合全部条件的1条记录,返回给Server层。
很明显,使用ICP的方式能有效减少回表的次数。
另外,ICP是默认开启的,对于二级索引,只要能把条件甩给下面的存储引擎,存储引擎就会进行过滤,不需要我们干预。
3.2.2 演示
查看一下当前ICP的状态:
SHOW VARIABLES LIKE 'optimizer_switch';

执行以下SQL语句,并用EXPLAIN查看一下执行计划,此时的执行计划是Using index condition
EXPLAIN SELECT * FROM user_innodb WHERE name = "蝉沐风" AND phone LIKE "%6606";

然后关闭ICP
SET optimizer_switch="index_condition_pushdown=off";
再查看一下ICP的状态

再次执行查询语句,并用EXPLAIN查看一下执行计划,此时的执行计划是Using where
EXPLAIN SELECT * FROM user_innodb WHERE name = "蝉沐风" AND phone LIKE "%6606";

注:即使满足索引下推的使用条件,查询优化器也未必会使用索引下推,因为可能存在更高效的方式。
由于之前我给name字段创建了索引,导致一直没有使用索引下推,EXPLAIN语句显示使用了name索引,而不是name和phone的联合索引;删除name索引之后,才获得上述截图的效果。大家做实验的时候需要注意。
到目前为止大家应该清楚了索引和回表带来的性能问题,讲这些自然不是为了恐吓大家让大家远离索引,相反,我们要以正确的方式积极拥抱索引,最大限度降低其带来的负面影响,放大其优势。如何用好索引,从两个方面考虑:
高效发挥已经创建的索引的作用(避免索引失效)
为合适的列创建合适的索引(索引创建原则)
4. 什么时候索引会失效?
4.1 违反最左前缀原则
拿我们文章开始创建的联合索引为例,该联合索引的B+树数据页内的记录首先按照name字段进行排序,name字段相同的情况下,再按照phone字段进行排序。
所以,如果我们直接使用phone字段进行搜索,无法利用索引的顺序性。
EXPLAIN SELECT * FROM user_innodb WHERE phone = "13203398311";

EXPLAIN可以查看搜索语句的执行计划,其中,possible_keys列表示在当前查询中,可能用到的索引有哪一些;key列表示实际用到的索引有哪一些。
但是一旦加上name的搜索条件,就会使用到联合索引,而且不需要在意name在WHERE子句中的位置,因为查询优化器会帮我们优化。
EXPLAIN SELECT * FROM user_innodb WHERE phone = "13203398311" AND name = '蝉沐风';

4.2 使用反向查询(!=, ,NOT LIKE)
MySQL在使用反向查询(!=, , NOT LIKE)的时候无法使用索引,会导致全表扫描,覆盖索引除外。
EXPLAIN SELECT * FROM user_innodb WHERE name != '蝉沐风';

4.3 LIKE以通配符开头
当使用name LIKE '%沐风'或者name LIKE '%沐%'这两种方式都会使索引失效,因为联合索引的B+树数据页内的记录首先按照name字段进行排序,这两种搜索方式不在意name字段的开头是什么,自然就无法使用索引,只能通过全表扫描的方式进行查询。
EXPLAIN SELECT * FROM user_innodb WHERE name LIKE '%沐风';

但是使用通配符结尾就没有问题
EXPLAIN SELECT * FROM user_innodb WHERE name LIKE '蝉沐%';

4.4 对索引列做任何操作
如果不是单纯使用索引列,而是对索引列做了其他操作,例如数值计算、使用函数、(手动或自动)类型转换等操作,会导致索引失效。
4.4.1 使用函数
EXPLAIN SELECT * FROM user_innodb WHERE LEFT(name,3) = '蝉沐风';

MySQL8.0新增了函数索引的功能,我们可以给函数作用之后的结果创建索引,使用以下语句
ALTER TABLE user_innodb ADD KEY IDX_NAME_LEFT ((left(name,3)));
再次执行EXPLAIN语句,此时索引生效

4.4.2 使用表达式
EXPLAIN SELECT * FROM user_innodb WHERE id + 1 = 1100000;

换一种方式,单独使用id,就能高效使用索引:
EXPLAIN SELECT * FROM user_innodb WHERE id = 1100000 - 1;

4.4.3 使用类型转换
例1
user_innodb中的phone字段为varchar类型,实验之前我们先给phone字段创建个索引
ALTER TABLE user_innodb ADD INDEX IDX_PHONE (phone);
随便搜索一个存在的手机号,看一下索引是否成功
EXPLAIN SELECT * FROM user_innodb WHERE phone = '13203398311';

可以看到能使用到索引,现在我们稍微修改一下,把phone = '13203398311'修改为phone = 13203398311,这意味着我们将字符串的搜索条件改成了整形的搜索条件,再看一下还会不会使用到索引:
EXPLAIN SELECT * FROM user_innodb WHERE phone = 13203398311;

显示索引失效。
例2
我们再看一个例子,主键id类型是bigint,但是在搜索条件中我估计使用字符串类型:
EXPLAIN SELECT * FROM user_innodb WHERE id = '1099999';

总结
稍微总结一下这个问题,当索引字段类型为字符串时,使用数字类型进行搜索不会用到索引;而索引字段类型为数字类型时,使用字符串类型进行搜索会使用到索引。
要搞明白这个问题,我们需要知道MySQL的数据类型转换规则是什么。简单地说就是MySQL会自动将数字转化为字符串,还是将字符串转化为数字。
一个简单的方法是,通过SELECT '10' > 9的结果来确定MySQL的类型转换规则:
结果为1,说明MySQL会自动将字符串类型转化为数字,相当于执行了SELECT 10 > 9;
结果为0,说明MySQL会自动将数字转化为字符串,相当于执行了SELECT '10' > '9'。
mysql> SELECT '10' > 9; +----------+ | '10' > 9 | +----------+ | 1 | +----------+ 1 row in set (0.00 sec)
上面的执行结果为1,说明MySQL遇到类型转换时,会自动将字符串转换为数字类型,因此对于例1:
EXPLAIN SELECT * FROM user_innodb WHERE phone = 13203398311;
就相当于
EXPLAIN SELECT * FROM user_innodb WHERE CAST(phone AS signed int) = 13203398311;
也就是对索引字段使用了函数,按照前文的介绍,对索引使用函数是不会使用到索引的。
对于例2:
EXPLAIN SELECT * FROM user_innodb WHERE id = '1099999';
就相当于
EXPLAIN SELECT * FROM user_innodb WHERE id = CAST('1099999' AS unsigned int);没有在索引字段添加任何操作,因此能够使用到索引。
4.5 OR连接
使用OR连接的查询语句,如果OR之前的条件列是索引列,但是OR之后的条件列不是索引列,则不会使用索引。举例:
EXPLAIN SELECT * FROM user_innodb WHERE id = 1099999 OR gender = 0;

上面总结了一些索引失效的场景,这些经验的总结往往对SQL的优化很有益处,但同时需要注意的是这些经验并非金科玉律。
比如使用查询时,在某些时候是可以用到索引的:
EXPLAIN SELECT * FROM user_innodb WHERE id 1099999;

最终是否使用索引,完全取决于MySQL的优化器,而优化器的判定依据就是cost开销(Cost Base Optimizer),优化器并非基于具体的规则,也不是基于语义,就是单纯地执行开销小的方案罢了。所以在·EXPLAIN·的结果中你会看到possible_keys一列,优化器会把这里边的索引都试一遍(是不是又加深了对不能随便创建索引的认识呢?),然后选一个开销最小的,如果都不太行,那就直接全表扫描好了。
而cost开销,和数据库版本、数据量等都有关系,因此如果想更精准地提升索引功能性,拥抱EXPLAIN吧!
5. 索引创建(使用)原则
之前讲过的索引覆盖和索引下推都可以作为索引创建的原则,就是在创建索引的时候,尽量发挥索引覆盖和索引下推的优势。
尽量避免上述提及到的索引可能失效的情况的出现,同样是索引的使用原则。
除此之外,再给大家介绍一些。
5.1 不为离散度低的列创建索引
先来看一下列的离散度公式:COUNT(DISTINCT(column_name)) / COUNT(*),列的不重复值的个数与所有数据行的比例。简而言之,如果列的重复值越多,列的离散度越低。重复值越少,离散度就越高。
举个例子,gender(性别)列只有0、1两个值,列的离散度非常低,假如我们为该列创建索引,我们会在二级索引中搜索到大量的重复数据,然后进行大量回表操作。大量回表哈?你懂了吧。
不要为重复值多的列创建索引
5.2 只为用于搜索、排序或分组的列创建索引
我们只为出现在WHERE子句中的列或者出现在ORDER BY和GROUP BY子句中的列创建索引即可。仅出现在查询列表中的列不需要创建索引。
5.3 用好联合索引
用2条SQL语句来说明这个问题:
1. SELECT * FROM user_innodb WHERE name = '蝉沐风' AND phone = '13203398311';
2. SELECT * FROM user_innodb WHERE name = '蝉沐风';
语句1和语句2都能够使用索引,这带给我们的一个索引设计原则就是:
不要为联合索引的第一个索引列单独创建索引
因为联合索引本身就是先按照name列进行排序,因此联合索引对name的搜索是有效的,不需要单独为name再创建索引了。也正因为此
建立联合索引的时候,一定要把最常用的列放在最左边
5.4 对过长的字段,建立前缀索引
如果一个字符串格式的列占用的空间比较大(就是说允许存储比较长的字符串数据),为该列创建索引,就意味着该列的数据会被完整地记录在每个数据页的每条记录中,会占用相当大的存储空间。
对此,我们可以为该列的前几个字符创建索引,也就是在二级索引的记录中只会保留字符串的前几个字符。比如我们可以为phone列创建索引,索引只保留手机号的前3位:
ALTER TABLE user_innodb ADD INDEX IDX_PHONE_3 (phone(3));
然后执行下面的SQL语句:
EXPLAIN SELECT * FROM user_innodb WHERE phone = '1320';

由于在IDX_PHONE_3索引中只保留了手机号的前3位数字,所以我们只能定位到以132开头的二级索引记录,然后在遍历所有的这些二级索引记录时再判断它们是否满足第4位数为0的条件。
当列中存储的字符串包含的字符较多时,为该字段建立前缀索引可以有效节省磁盘空间
5.5 频繁更新的值,不要作为主键或索引
因为可能涉及到数据页分裂的情况,会影响性能。
5.6 随机无序的值,不建议作为索引,例如身份证、UUID
以上就是《如何最优化地使用MySQL索引?》的详细内容,更多关于mysql的资料请关注golang学习网公众号!
MySQL中如何转换时区
- 上一篇
- MySQL中如何转换时区
- 下一篇
- 利用聊天机器人解决供应链问题——ChatGPT的实业探索
-
- 数据库 · MySQL | 16小时前 |
- MySQL事务是什么?如何保证数据一致性?
- 276浏览 收藏
-
- 数据库 · MySQL | 1天前 |
- MySQL创建带约束表的实例详解
- 110浏览 收藏
-
- 数据库 · MySQL | 1星期前 |
- MySQL常用存储引擎及InnoDB与MyISAM对比分析
- 184浏览 收藏
-
- 数据库 · MySQL | 2星期前 |
- MySQL连接池配置与优化方法
- 147浏览 收藏
-
- 数据库 · MySQL | 2星期前 |
- MySQL内存优化技巧与参数设置解析
- 295浏览 收藏
-
- 数据库 · MySQL | 2星期前 |
- 主键外键关系解析与作用详解
- 413浏览 收藏
-
- 数据库 · MySQL | 2星期前 |
- MySQL数据库备份与安全方案详解
- 175浏览 收藏
-
- 数据库 · MySQL | 3星期前 |
- MySQL增删改查语法速查表大全
- 174浏览 收藏
-
- 数据库 · MySQL | 1个月前 |
- MySQLupdate语句使用详解
- 120浏览 收藏
-
- 数据库 · MySQL | 1个月前 |
- MySQL数据库创建与字符集设置教程
- 404浏览 收藏
-
- 数据库 · MySQL | 1个月前 |
- MySQL基础命令速查:增删改查全攻略
- 427浏览 收藏
-
- 数据库 · MySQL | 1个月前 |
- MySQL优化Join查询的技巧与策略解析
- 351浏览 收藏
-
- 前端进阶之JavaScript设计模式
- 设计模式是开发人员在软件开发过程中面临一般问题时的解决方案,代表了最佳的实践。本课程的主打内容包括JS常见设计模式以及具体应用场景,打造一站式知识长龙服务,适合有JS基础的同学学习。
- 543次学习
-
- GO语言核心编程课程
- 本课程采用真实案例,全面具体可落地,从理论到实践,一步一步将GO核心编程技术、编程思想、底层实现融会贯通,使学习者贴近时代脉搏,做IT互联网时代的弄潮儿。
- 516次学习
-
- 简单聊聊mysql8与网络通信
- 如有问题加微信:Le-studyg;在课程中,我们将首先介绍MySQL8的新特性,包括性能优化、安全增强、新数据类型等,帮助学生快速熟悉MySQL8的最新功能。接着,我们将深入解析MySQL的网络通信机制,包括协议、连接管理、数据传输等,让
- 500次学习
-
- JavaScript正则表达式基础与实战
- 在任何一门编程语言中,正则表达式,都是一项重要的知识,它提供了高效的字符串匹配与捕获机制,可以极大的简化程序设计。
- 487次学习
-
- 从零制作响应式网站—Grid布局
- 本系列教程将展示从零制作一个假想的网络科技公司官网,分为导航,轮播,关于我们,成功案例,服务流程,团队介绍,数据部分,公司动态,底部信息等内容区块。网站整体采用CSSGrid布局,支持响应式,有流畅过渡和展现动画。
- 485次学习
-
- ChatExcel酷表
- ChatExcel酷表是由北京大学团队打造的Excel聊天机器人,用自然语言操控表格,简化数据处理,告别繁琐操作,提升工作效率!适用于学生、上班族及政府人员。
- 4220次使用
-
- Any绘本
- 探索Any绘本(anypicturebook.com/zh),一款开源免费的AI绘本创作工具,基于Google Gemini与Flux AI模型,让您轻松创作个性化绘本。适用于家庭、教育、创作等多种场景,零门槛,高自由度,技术透明,本地可控。
- 4577次使用
-
- 可赞AI
- 可赞AI,AI驱动的办公可视化智能工具,助您轻松实现文本与可视化元素高效转化。无论是智能文档生成、多格式文本解析,还是一键生成专业图表、脑图、知识卡片,可赞AI都能让信息处理更清晰高效。覆盖数据汇报、会议纪要、内容营销等全场景,大幅提升办公效率,降低专业门槛,是您提升工作效率的得力助手。
- 4460次使用
-
- 星月写作
- 星月写作是国内首款聚焦中文网络小说创作的AI辅助工具,解决网文作者从构思到变现的全流程痛点。AI扫榜、专属模板、全链路适配,助力新人快速上手,资深作者效率倍增。
- 6109次使用
-
- MagicLight
- MagicLight.ai是全球首款叙事驱动型AI动画视频创作平台,专注于解决从故事想法到完整动画的全流程痛点。它通过自研AI模型,保障角色、风格、场景高度一致性,让零动画经验者也能高效产出专业级叙事内容。广泛适用于独立创作者、动画工作室、教育机构及企业营销,助您轻松实现创意落地与商业化。
- 4827次使用
-
- MySQL主从切换的超详细步骤
- 2023-01-01 501浏览
-
- Mysql-普通索引的 change buffer
- 2023-01-25 501浏览
-
- MySQL高级进阶sql语句总结大全
- 2022-12-31 501浏览
-
- Mysql报错:message from server: * is blocked because of many
- 2023-02-24 501浏览
-
- 腾讯云大佬亲码“redis深度笔记”,不讲一句废话,全是精华
- 2023-02-22 501浏览

